English
Español
Português
русский
Français
日本語
Deutsch
tiếng Việt
Italiano
Nederlands
ภาษาไทย
Polski
한국어
Svenska
magyar
Malay
বাংলা ভাষার
Dansk
Suomi
हिन्दी
Pilipino
Türkçe
Gaeilge
العربية
Indonesia
Norsk
تمل
český
ελληνικά
український
Javanese
فارسی
தமிழ்
తెలుగు
नेपाली
Burmese
български
ລາວ
Latine
Қазақша
Euskal
Azərbaycan
Slovenský jazyk
Македонски
Lietuvos
Eesti Keel
Română
Slovenski
मराठी
Srpski језик
Məhsul xüsusiyyəties
1, DC nəsil və DC anbarı, pV və saxlama gücü üçün uyğun olan daha çox səmərəlilik və aşağı itki daha böyükdür
Grid ssenarilərindən çoxdur;
2, IP65 müdafiəsi, açıq istifadə. Yaxınlıqdakı mppt, məftillərin qarşısını almağa kömək edən yaxınlaşma nəticəsi
Çox sayda fotovoltaik (PV) kabelləri tərəfindən yaranan qarışıqlıq, hamısı bir-birinə qədər uzun məsafələrə ötürülür.
3, 200-900V, sənayenin yüksək cari fotovoltaik modul girişini dəstəkləyən Fotovoltaik Girişin geniş gərginlik diapazonu.
4, çox kanallı mppt, pv panel çox bucağı ilə görüşmək
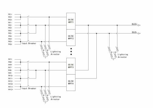
Məftil diaqramı

Xüsusiyyət
| Modellər | Mppt-8 | Mppt-6 | Mppt-12 | |
| PV-yan interfeysi Parametrlər |
Maksimum pv sıra gərginliyi | 900v | ||
| Mppt voltaj aralığı | 200V-900V-900v | |||
| Rated MPPT Voltaj Aralığı | 560v-900v | |||
| Maksimum filial cərəyanı | 24a | 20a | ||
| Pv giriş sətirləri nömrəsi | Əqrəb | Əqrəb | Əqrəb | |
| Mppt sayı | Əqrəb | 2-ci | 4-ə | |
| Mputt üçün cari | 20a | 55a | ||
| Çıxış parametrləri | Gərginlik | 600-950V | ||
| Qiymətləndirilmiş gərginlik | Defolt 716.8V, tənzimlənən | |||
| Qiymətləndirilmiş Çıxış Cari | 118a | 84a | 168a | |
| Qiymətləndirilmiş Çıxış gücü | 84 kVt | 60 kVt | 120 kVt | |
| Maksimum çıxış cərəyanı | 192a | 120a | 240a | |
| Sistem parametrləri | Qayğılılıq | 99.4% | ||
| iplik | IP65 | |||
| Soyutma konsepsiyası | Təbii konveksiya | Məcburi hava soyuducu | ||
| Ölçülər (W * d * h) | 550x530x280mm | 630 × 460 × 260mm | 630 × 460 × 260mm | |
| Ağırlıq | 42 kq | 25 kq | 30 kq | |
| İşləmə temperaturu | -30 ~ 55 ℃ | |||
| Elektrik təchizatı rejimi | Özünü gücləndirdi (Gecədə güc kommutiyası olmadan) | |||
| Ünsiyyət interfeysi | RS485 | |||
