English
Español
Português
русский
Français
日本語
Deutsch
tiếng Việt
Italiano
Nederlands
ภาษาไทย
Polski
한국어
Svenska
magyar
Malay
বাংলা ভাষার
Dansk
Suomi
हिन्दी
Pilipino
Türkçe
Gaeilge
العربية
Indonesia
Norsk
تمل
český
ελληνικά
український
Javanese
فارسی
தமிழ்
తెలుగు
नेपाली
Burmese
български
ລາວ
Latine
Қазақша
Euskal
Azərbaycan
Slovenský jazyk
Македонски
Lietuvos
Eesti Keel
Română
Slovenski
मराठी
Srpski језик |
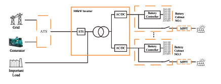
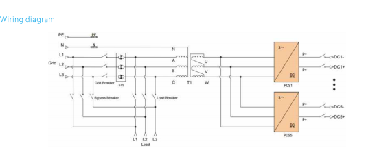
Xüsusiyyət Sistem, paralel konfiqurasiyada modul inverter vahidlərindən istifadə edir Hər bir inverter modulun DC Girişi xüsusi bir batareya kabinetinə uyğundur, başına bir çoxluq idarəçiliyinin arasındakı dövrələnən cərəyanları aradan qaldırmaq üçün imkan verir batareya ipləri. AC / DC güc modulları həm kəmiyyətdə çevik yerləşdirmə dəstəkləyir 5 ədəd paralel olaraq 60 kVt modulunun maksimum tutumu olan güc reytinqi konfiqurasiya. Güc modullarından AC çıxışı bir transformator vasitəsilə çatdırılır İzolyasiya edilmiş çıxış mərhələsi, güclü müqavimətlə yükə güc təmin edir cari şok. Hibrid ESS, yüksək nail olan DC-COMELED Photovoltaik inteqrasiya tətbiq edir Enerji dönüşüm səmərəliliyi və pv ilə off-ssenarilər üçün optimallaşdırılmışdır yük tələbini aşan nəsil gücü; Açıq qiymətləndirilən MPPT nəzarətçiləri Kombinator və mppt funksiyalarını bir sərtləşdirilmiş bir örtüyə birləşdirin. Tam sistemdə bir dizel generatoru ATS seçimi, 300 kVt hibrid daxildir İnverter, PV MPPT nəzarətçisi və bir batareya enerji saxlama sistemi.
Xüsusiyyət Sistem, paralel konfiqurasiyada modul inverter vahidlərindən istifadə edir Hər bir inverter modulun DC Girişi xüsusi bir batareya kabinetinə uyğundur, başına bir çoxluq idarəçiliyinin arasındakı dövrələnən cərəyanları aradan qaldırmaq üçün imkan verir batareya ipləri. AC / DC güc modulları həm kəmiyyətdə çevik yerləşdirmə dəstəkləyir 5 ədəd paralel olaraq 60 kVt modulunun maksimum tutumu olan güc reytinqi konfiqurasiya. Güc modullarından AC çıxışı bir transformator vasitəsilə çatdırılır İzolyasiya edilmiş çıxış mərhələsi, güclü müqavimətlə yükə güc təmin edir cari şok. Hibrid ESS, yüksək nail olan DC-COMELED Photovoltaik inteqrasiya tətbiq edir Enerji dönüşüm səmərəliliyi və pv ilə off-ssenarilər üçün optimallaşdırılmışdır yük tələbini aşan nəsil gücü; Açıq qiymətləndirilən MPPT nəzarətçiləri Kombinator və mppt funksiyalarını bir sərtləşdirilmiş bir örtüyə birləşdirin. Tam sistemdə bir dizel generatoru ATS seçimi, 300 kVt hibrid daxildir İnverter, PV MPPT nəzarətçisi və bir batareya enerji saxlama sistemi.
Xüsusiyyətlər |
|||||
| Modellər | P200ts-400-A | P250ts-400-A | P300ts-400-A | ||
|
DC-yan parametrləri |
Gərginlik | 650-950Vdc | |||
| Hər modul giriş açarı | 250a | ||||
| DC kanallarının sayı | 3 yol | Əqrəbi | 5 | ||
|
Ac tərəfi parametrləri (grid bağlı) |
Qiymətləndirilmiş Çıxış gücü | 200 kVt | 250 kVt | 300 kVt | |
| Maksimum çıxış gücü | 220 kVt | 275 kVt | 330 kVt | ||
| Qiymətləndirilmiş Çıxış Cari | 289a | 361a | 433a | ||
| Thdi | <3% | ||||
| Grid tipli | 3w + n + n + pe | ||||
| Gərginlik | 360Vac ~ 440Vac | ||||
| Tezlik diapazonu | 45 ~ 55hz / 55 ~ 65hz | ||||
| Güc faktoru | -1 ~ 1 | ||||
|
Adaned Ac tərəfi parametrləri |
Qiymətləndirilmiş Çıxış gücü | 200 kVt | 250kw 300 kVt | ||
| Qiymətləndirilmiş çıxış gərginliyi | 400Vac | ||||
| Qiymətləndirilmiş çıxış tezliyi | 50 / 60hz | ||||
| Thdu | <1% xətti, <5% qeyri-xətti <1% xətti, <5% qeyri-xətti | ||||
| Yük yükləmə qabiliyyəti | 10 dəqiqə üçün 10 dəqiqə 110% çox yükləmə | ||||
|
Grid adası Transfer və keçid |
Baxım Bypass keçid | 400a | 630a | ||
| Grid açarları | 630a | 800a | |||
| Yük açarları | 400a | 630a | |||
| STS vahidi | 577a / 400kw | 722a / 500kw | |||
| Keçid vaxtı | <20ms | ||||
|
Sistemlər parametrləri |
Pik effektivlik | 97,5% | |||
| İşləmə temperaturu | -30 ~ 55 ℃ -30 ~ 55 ℃ (40 ℃ yuxarıda) | ||||
| Nisbi rütubət | 0 ~ 95% RH, 0 ~ 95% RH, kondensasiya edilmir | ||||
| Ölçülər (l * d * h) | 1300 × 1050 × 2050mm | ||||
| Ağırlıq | 1400 kq | 1700 kq 1800 kq | |||
| İpgrade | IP21 IP21 (tam dəsti) | ||||
| Səs-küy | <70db | ||||
| Ekranlı ekran | LCD sensor ekranı | ||||
| BMS ünsiyyəti | Ala-seyrək | ||||
| EMS Rabitə | TCP / IP | ||||