English
Español
Português
русский
Français
日本語
Deutsch
tiếng Việt
Italiano
Nederlands
ภาษาไทย
Polski
한국어
Svenska
magyar
Malay
বাংলা ভাষার
Dansk
Suomi
हिन्दी
Pilipino
Türkçe
Gaeilge
العربية
Indonesia
Norsk
تمل
český
ελληνικά
український
Javanese
فارسی
தமிழ்
తెలుగు
नेपाली
Burmese
български
ລາວ
Latine
Қазақша
Euskal
Azərbaycan
Slovenský jazyk
Македонски
Lietuvos
Eesti Keel
Română
Slovenski
मराठी
Srpski језик
Məhsul xüsusiyyətləri
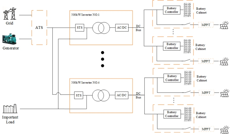
1. 500 kVt-dan çox yüklər, 500 kVt-a qədər paralel əlaqədə olan dörd dəsti bərabərləşdirilmiş bir vahid enerji saxlama anbarının istifadə etmək tövsiyə olunur, 2 MVt-a qədər atotal güc çıxışına nail olur;
2. Paralel olaraq bir çox 500 kVt sistemini işlədən və Stsacross-un fərqli 500 kVt çevrilişinin paylanmasının, yük qalma nöqtəsinə grid bağçasından olan Cablelin uzunluğunun ardıcıl olmasını təmin etmək vacibdir;
3. Hibrid ESS, yüksək enerji dönüşüm səmərəliliyinə nail olmaqla, yüksək enerji dönüşümün səmərəliliyinə nail olmaq və yük tələbini aşan PV nəsli ssenarilər üçün optimallaşdırılmış və optimallaşdırılmış ssenarilər üçün optimallaşdırılmışdır; Xarici qiymətləndirilən mppt
Nəzarətçilər kombinatoru və mppt funksiyalarını tək bərkidilmiş bir örtüyə inteqrasiya edir. Tam sistemdə bir dizel generatoru ATS seçimi, 300 kVt hibrid inverter, pv mppt nəzarətçisi və batareya daxildir
Enerji saxlama sistemi.


Xüsusiyyət
| Modellər | P500ts-400-A | |
|
DC-yan parametrləri |
Gərginlik | 500-950V |
| Maksimum cərəyan | 1128a | |
| Qiymətləndirilmiş Çıxış gücü | 500 kVt | |
|
Ac tərəfi parametrləri (grid bağlı) |
Maksimum çıxış gücü | 550 kVt |
| Qiymətləndirilmiş Çıxış Cari | 722a | |
| Thdi | <3% | |
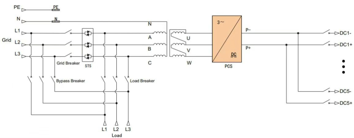
| Grid tipli | 3w + n + n + pe | |
| Gərginlik | 360Vac ~ 440Vac | |
| Tezlik diapazonu | 45 ~ 55hz / 55 ~ 65hz | |
| Güc faktoru | -1 ~ 1 | |
| Qiymətləndirilmiş Çıxış gücü | 500 kVt | |
|
AC yan parametrləri (Off-grid) |
Qiymətləndirilmiş çıxış gərginliyi | 400v |
| Qiymətləndirilmiş çıxış tezliyi | 50 / 60hz | |
| Thdu | <1% xətti yük, <5% xətti olmayan yük | |
| Yük yükləmə qabiliyyəti | 110% 10 dəqiqə | |
| Baxım Bypass keçid | 1250A | |
|
Off-grid açarı və Konfiqurasiyanı keçin |
DC keçid | 1250A |
| Yükləmə açarı | 1250A | |
| Şablon açarı | 1250A | |
| STS vahidi | 1155A / 800 kVt | |
| Keçid vaxtı | <20ms | |
|
Sistemlər parametrləri |
Temalılıq | 97,5% |
| İşləmə temperaturu | -30 ~ 55 ℃ (40 ℃ yuxarıda) | |
| Nisbi rütubət | 0 ilə 95% RH, kondensasiya edilmir | |
| Ölçülər (l * d * h) | 1600 × 1050 × 2050mm | |
| Ağırlıq | 2700 kq | |
| İpgrade | IP21 IP21 (tam maşın) | |
| Səs-küy | <70db | |
| Ekranlı ekran | Lcd | |
| BMS ünsiyyəti | Ala-seyrək | |
| EMS Rabitə | TCP / IP | |